◆ Mô hình: YZS102
◆ Mô hình: YZS102
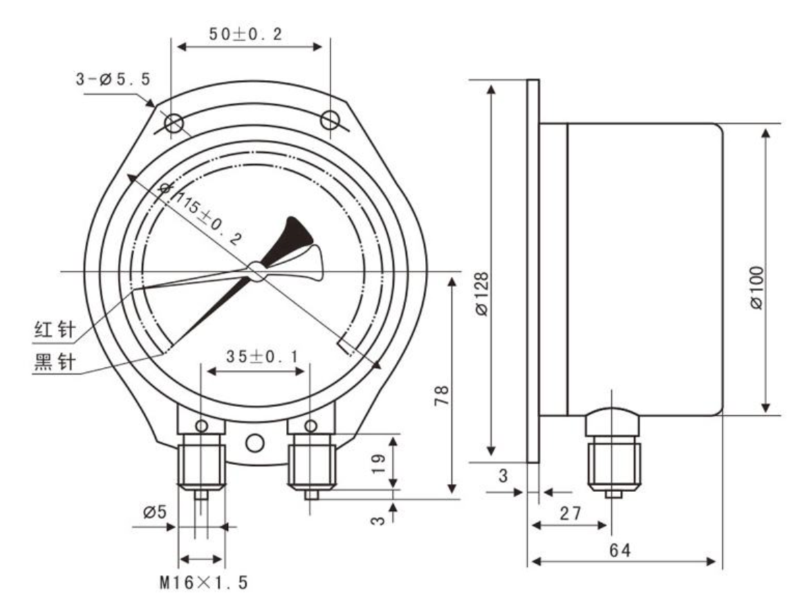
◆ Thông số kỹ thuật:
| Người mẫu | YZS102 |
| Đường kính danh nghĩa | Φ 100 |
| Chủ đề phù hợp | M20 × 1.5 ; G3/8 |
| Lớp chính xác | 1.6 |
| Phạm vi đo lường ( KPA ) | 0 ~ 1000 0 ~ 1200 0 ~ 1600 0 ~ 2500 |
| Điều kiện sử dụng môi trường | Nhiệt độ: -5 ° C ~ 60 ° C. Độ ẩm tương đối: Không nhiều hơn 80%. |
| Hiệu ứng nhiệt độ | (Độ lệch từ 20 ° C ± 5 ° C khi sử dụng) không lớn hơn 0,4%/10 ° C. |
| cân nặng | 0,7kg |
| Xếp hạng điện trở rung | V · H · 3 |
| Bảo vệ xâm nhập | IP54 |
| Thực thi tiêu chuẩn | GB/T1226 |
| Ghi chú: 1 . Chủ đề chung có thể được tùy chỉnh theo yêu cầu của người dùng. | |
◆ Kích thước bên ngoài:
Công ty TNHH Thiết bị đặc biệt Huihua, Ltd. was established in December 2001, the registered capital is 5 million yuan, the existing staff of more than 50 small and medium-sized joint-stock enterprises.
Công ty chuyên sản xuất các loại công cụ đặc biệt khác nhau, thay thế cho việc bản địa hóa các công cụ nhập khẩu. Để đo áp suất địa chấn, đồng hồ đo áp suất tiếp xúc điện địa chấn, đồng hồ đo áp suất bằng thép không gỉ, đồng hồ đo áp suất chống ăn mòn, đồng hồ đo áp suất biển và các chuỗi khác là sản phẩm chính. Trên cơ sở các dụng cụ hiện trường, chúng tôi đã phát triển các loại máy phát áp suất, bộ điều khiển áp suất, đồng hồ đo áp suất kỹ thuật số, v.v. Có hơn 30 loạt và 3000 thông số kỹ thuật. Các sản phẩm cung cấp được sử dụng rộng rãi trong dầu mỏ, hóa chất, giấy, luyện kim, khai thác, sợi hóa chất, năng lượng điện, thực phẩm, bảo vệ môi trường, cao su và nhựa, thủy lực và nhiều ngành công nghiệp khác, và hơn 2.000 khách hàng trong nước để thiết lập mối quan hệ thân thiện với các doanh nghiệp lớn.
BẰNG Đồng hồ đo áp suất đôi kim đôi của YZS Series Manufacturers, các quy trình kiểm soát chất lượng nghiêm ngặt được áp dụng trong toàn bộ hệ thống sản xuất để đảm bảo rằng chất lượng nhất quán được sản xuất.
Đồng hồ đo áp suất là một trong những thiết bị cơ bản nhất trong mọi môi trường công nghiệp, cơ khí hoặc quy trình. Chúng cung cấp phép đo áp suất chất lỏng hoặc khí theo thời gian thực, cho phép người vận hành giám s......
Đọc thêmHiểu nguyên tắc cơ bản về đồng hồ đo áp suất Đồng hồ đo áp suất là những công cụ thiết yếu được sử dụng trong vô số ngành công nghiệp để đo lường và hiển thị áp suất của chất khí hoặc chất lỏng trong hệ thống......
Đọc thêmMáy phát áp suất chênh lệch là công cụ thiết yếu trong các hệ thống giám sát, đo lường và kiểm soát quy trình công nghiệp hiện đại. Các thiết bị này đo sự chênh lệch áp suất giữa hai điểm trong hệ thống và chuyển đổi ......
Đọc thêm