◆ Mô hình: y¨-ml y¨-mf y¨-mg y¨-mz y¨-mk y¨-mn y¨-ms
◆ Áp dụng: Do cấu trúc đo gián tiếp, đồng hồ đo áp suất cơ hoành phù hợp để đo áp suất của chất lỏng, khí hoặc chất rắn chảy hạt có độ nhớt cao, dễ kết tinh, ăn mòn mạnh và nhiệt độ cao. Cơ hoành cô lập có nhiều loại vật liệu để thích nghi với nhiều phương tiện ăn mòn khác nhau.
Những dụng cụ này chủ yếu được sử dụng trong chất xơ hóa học, sợi tổng hợp, dầu mỏ, nhuộm, kiềm, axit, thực phẩm, y học, xây dựng, khai thác, nấu chảy và các ngành công nghiệp khác.
Đầu đo của loại dụng cụ này có thể được sử dụng trong một loạt các chuỗi: đồng hồ đo áp suất chung, đồng hồ đo áp suất chống sốc, một loạt đồng hồ đo áp suất tiếp xúc điện, một loạt đồng hồ đo áp suất tiếp xúc điện chống sốc, máy phát áp suất, máy đo áp suất từ xa, máy đo áp suất kỹ thuật số, bộ điều khiển áp suất, v.v.
◆ Nguyên tắc cấu trúc:
Công cụ này là đo lường gián tiếp. Biến dạng màng phân lập dưới áp suất của môi trường đo được, chất lỏng niêm phong được điều áp và áp suất được truyền đến áp suất.
Chất lỏng niêm phong được điều áp và áp suất được tiến hành cho dụng cụ phát hiện, cho thấy giá trị của áp suất trung bình đo được.
◆ Thông số kỹ thuật :
| Mô hình đầu mét | Nhiều loại dụng cụ áp suất, máy phát áp lực, bộ điều khiển áp suất, v.v. | |||
| Lớp chính xác | 1.6 ; 2.5 | |||
| Lớp chính xác ( MPA ) | 0 ~ 0,1 0 ~ 0.16 0 ~ 0,25 0 ~ 0,4 0 ~ 0.6 0 ~ 1 0 ~ 1.6 0 ~ 2.5 0 ~ 4 0 ~ 6 0 ~ 10 0 ~ 16 0 ~ 25 0 ~ 40 | |||
| Vật liệu cơ hoành | Biệt danh | Vật liệu | Biệt danh | Vật liệu |
| 1 | 0CR18NI12MO2 | 5 | Hastelloy C (H276C) | |
| 2 | SUS304 | 6 | Hợp kim Monel (CU30NI70) | |
| 3 | SUS316 | 7 | Tantalum (TA) | |
| 4 | SUS316L | 8 | Fluoroplastic (PTFE) | |
| Vật liệu cách ly | 1CR18NI9; 304; 316; 316L; F4; PVC, v.v. | |||
| Niêm phong vật liệu miếng đệm | NBR; Cao su silicon y tế; PTFE; Than chì; Fluoroelastomer; vân vân. | |||
| Đổ đầy chất lỏng dẫn | Dầu silicon methyl, dầu thực vật, glycerin, dầu flo, v.v. | |||
| Hiệu ứng nhiệt độ | Do sự giãn nở nhiệt của chất lỏng dẫn điện và độ cứng của cơ hoành có liên quan đến nhiệt độ, giá trị lỗi là 0,1%/° C khi nhiệt độ vận hành lệch từ 20 ± 5 ° C. | |||
| Bảo vệ ăn mòn | Hiệu suất này bao gồm các đặc tính ăn mòn của môi trường và môi trường đo, và vật liệu của bộ cách ly, tấm cơ hoành và máy giặt niêm phong có thể được chọn theo các điều kiện sử dụng. | |||
| Cấp độ khác biệt | Máy đo áp suất cơ hoành kết nối ống trong quá trình cài đặt Nếu điểm đo và đồng hồ đo áp suất ở các độ cao khác nhau, chênh lệch mức chất lỏng của nó được tạo ra bởi chênh lệch áp suất △ P sẽ ảnh hưởng đến giá trị đo của thiết bị, công thức là: △ P = trọng lượng riêng của sự chênh lệch mức chất lỏng ×. | |||
| Tiêu chuẩn thực hiện | JB/T 8624 | |||
| Lưu ý: 1, luồng đầu nối có thể được tùy chỉnh theo yêu cầu của người dùng; 2 、 Có thể tùy chỉnh mặt bích kết nối theo tiêu chuẩn mặt bích yêu cầu của người dùng. | ||||
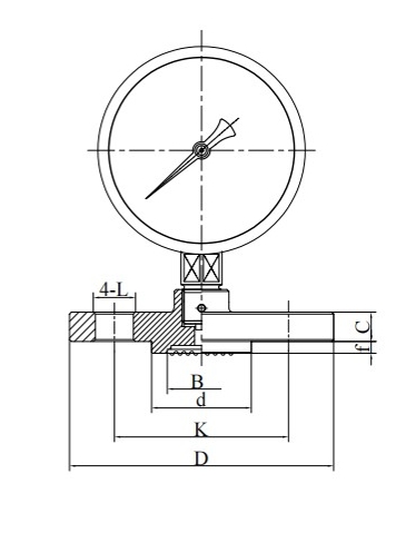
◆ Kích thước loại cách ly và sơ đồ cài đặt:
| (Ml) Giao diện ren | (Mf) mặt bích khuôn mặt mở |
























