◆ Mô hình: YJY100 YJY150
◆ Sử dụng: Áp suất tuyệt đối đề cập đến áp suất cao hơn áp suất tuyệt đối bằng 0 với áp suất tuyệt đối bằng không (chân không tuyệt đối) làm tham chiếu. Giá trị áp suất tuyệt đối có thể được biểu thị bằng công thức sau:
Giá trị áp suất tuyệt đối = Máy hút (áp suất âm) Giá trị áp suất khí quyển Giá trị
Máy đo áp suất tuyệt đối chủ yếu được sử dụng để theo dõi hoặc đo áp suất tuyệt đối trong một số thiết bị chân không (ví dụ: máy móc đóng gói chân không, thiết bị để theo dõi áp suất ngưng tụ và áp suất hơi của chất lỏng, v.v.).
◆ Áp suất làm việc: Tải trọng tĩnh được sử dụng tối đa 3/4 giá trị giới hạn trên của phép đo, tải trao đổi được sử dụng tối đa 2/3 giá trị giới hạn trên của phép đo và áp suất thời gian ngắn được sử dụng lên đến giá trị giới hạn trên của phép đo.
◆ Thông số kỹ thuật :
| Số mô hình | YJY100 | YJY150 | |
| Đường kính danh nghĩa | Φ 100 | Φ 150 | |
| Mẫu cài đặt | Ⅰ | * | * |
| Ⅱ | * | * | |
| Ⅳ | * | * | |
| Ⅵ | * | * | |
| Chủ đề kết nối | M20 × 1.5 | ||
| Lớp chính xác | 0.4 ; 1.0 ; 1.6 ; 2.5 | ||
| Phạm vi đo lường ( MPA ) | 0 ~ 0,1 0 ~ 0.16 0 ~ 0,25 0 ~ 0,4 0 ~ 0,6 0 ~ 1 0 ~ 1.6 0 ~ 2.5 0 ~ 4 0 ~ 6 0 ~ 10 | ||
| Điều kiện sử dụng môi trường | nhiệt độ: -40 ℃~ 70 ℃ (Lớp học chính xác : 0.4 ) -50 ℃~ 160 ℃ (Lớp học chính xác : 1.0 ~ 2.5 ) Độ ẩm tương đối : ≦ 80 % | ||
| Xếp hạng rung | V · H · 2 ; V · H · 3 | ||
| lớp bảo vệ | IP65 | ||
| Tiêu chuẩn thực hiện | | ||
| Lưu ý: 1. Các luồng chung có thể được tùy chỉnh theo yêu cầu của người dùng. | |||
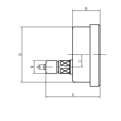
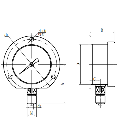
◆ Kích thước bên ngoài:
|
Loại trực tiếp xuyên tâm () | Loại trực tiếp hướng trục (ⅱ) |
| Loại trực tiếp đồng tâm trục (iii) | Loại chèn lệch tâm trục (IV) |
| Số mô hình | Kích thước tổng thể ( mm ) | |||||||
| MỘT | B | C | D | D0 | D1 | D2 | M | |
| YJY100 -Ⅰ | 90 | 48 | 15 | Φ 100 | / | / | Φ 6 | M20 × 1.5 |
| YJY100 -Ⅱ | 83 | 44 | 34 | Φ 100 | / | / | Φ 6 | M20 × 1.5 |
| YJY100 -Ⅳ | 68 | 44 | 34 | Φ 100 | Φ 6 | Φ 118 | Φ 6 | M20 × 1.5 |
| YJY100 -Ⅵ | 90 | 48 | 15 | Φ 100 | Φ 6 | Φ 118 | Φ 6 | M20 × 1.5 |
| YJY150 -Ⅰ | 117 | 51 | 16.5 | Φ 150 | / | / | Φ 6 | M20 × 1.5 |
| YJY150 -Ⅱ | 92 | 52 | 55 | Φ 150 | / | / | Φ 6 | M20 × 1.5 |
| YJY150 -Ⅳ | 69 | 52 | 55 | Φ 150 | Φ 6 | Φ 165 | Φ 6 | M20 × 1.5 |
| YJY150 -Ⅵ | 117 | 53 | 28 | Φ 150 | Φ 6 | Φ 165 | Φ 6 | M20 × 1.5 |
























