◆ Mô hình: YC40 YC50 YC60 YC75 YC100 YC150
◆ Sử dụng: Một loạt các dụng cụ này phù hợp để đo áp suất của chất lỏng, khí, hơi nước và các phương tiện chất lỏng khác mà không có nguy hiểm nổ, kết tinh hoặc hóa rắn trên tàu và thiết bị liên quan.
Loạt dụng cụ này có loại phát sáng, theo thang đo chính của mặt số và phần đầu của con trỏ được phủ bằng tác nhân phát sáng vĩnh viễn hoạt động hoặc thụ động, do đó giá trị áp suất có thể được đọc rõ ràng trong bóng tối.
Vỏ của loạt dụng cụ này được niêm phong hoàn toàn và có khả năng chống ăn mòn nước biển nhất định, do đó bảo vệ các thành phần bên trong của dụng cụ khỏi bị hư hại và ăn mòn bởi sóng và nước biển.
Loạt dụng cụ này cũng có thể được lấp đầy bằng dầu giảm xóc độ nhớt thấp trong vỏ, với khả năng chống lại sự rung động của môi trường làm việc do thời tiết xấu ở biển và xung áp suất trung bình.
Một loạt các công cụ này chủ yếu được sử dụng trong vận chuyển ngoài khơi, các mỏ dầu khí ngoài khơi, nền tảng khoan ngoài khơi, khai thác đáy biển, điều hướng nội địa và các ngành công nghiệp khác.
◆ Thông số kỹ thuật :
| Số mô hình | YLM60 | YLM100 | YLM150 | |
| Đường kính danh nghĩa | Φ 60 | Φ 100 | Φ 150 | |
| Loại gắn kết | Ⅰ | * | * | * |
| Ⅱ | * | * | * | |
| Ⅲ | * | / | / | |
| Ⅳ | * | * | * | |
| Ⅴ | * | / | / | |
| Ⅵ | * | * | * | |
| Chủ đề kết nối | M14 × 1.5 | M20 × 1.5 | ||
| Lớp chính xác | 2.5 | 1.6 | ||
| Phạm vi đo lường ( MPA ) | Trống : -0.1 ~ 0 Máy hút bụi áp lực : -0.1 ~ 0,06 -0.1 ~ 0,15 -0.1 ~ 0.3 -0.1 ~ 0,5 -0.1 ~ 0,9 -0.1 ~ 1.5 -0.1 ~ 2.4 Áp lực: 0 ~ 0,1 0 ~ 0.16 0 ~ 0,25 0 ~ 0,4 0 ~ 0.6 0 ~ 1 0 ~ 1.6 0 ~ 2.5 0 ~ 4 0 ~ 6 0 ~ 10 0 ~ 16 0 ~ 25 0 ~ 40 0 ~ 60 0 ~ 100 、 0 ~ 160 、 0 ~ 250 |
| Điều kiện sử dụng môi trường | nhiệt độ: -40 ℃~ 70 ℃ |
| Xếp hạng rung | Loại bình thường : V · H · 3 Loại địa chấn (loại chứa chất lỏng) V · H · 4 |
| Vật liệu ống Borden | QSN4-0.3 、 OCR18NI12MO2TI |
| Trường hợp và vật liệu kết nối | 1Cr18ni9ti ; SUS304 |
| lớp bảo vệ | IP65 |
| Tiêu chuẩn thực hiện | GB/T 1226 ; JB/T 6804 |
| Lưu ý: 1. Các luồng chung có thể được tùy chỉnh theo yêu cầu của người dùng. | |
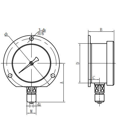
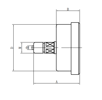
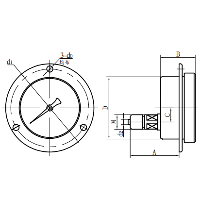
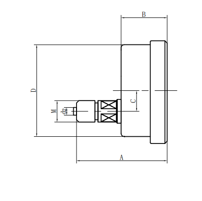
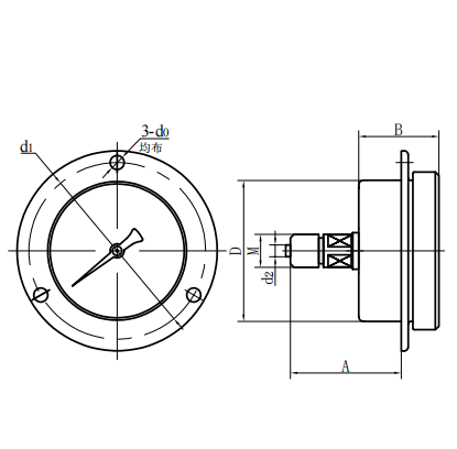
◆ Kích thước bên ngoài:
| Loại trực tiếp xuyên tâm () | Loại trực tiếp hướng trục (ⅱ) |
| Loại trực tiếp đồng tâm trục (iii) | Loại chèn lệch tâm trục (IV) |
| Loại chèn đồng tâm trục (V) | Loại lồi xuyên tâm (VI) |
| Số mô hình | Kích thước tổng thể (mm) | |||||||
| MỘT | B | C | D | D0 | D1 | D2 | M | |
| Yc60- Ⅰ | 56 | 33 | 11 | Φ 60 | / | / | Φ 5 | M14 × 1.5 |
| Yc60- Ⅱ | 61 | 32.5 | 18 | Φ 60 | / | / | Φ 5 | |
| Yc60- Ⅲ | 61 | 32.5 | / | Φ 60 | / | / | Φ 5 | M14 × 1.5 |
| Yc60- Ⅳ | 55 | 32.5 | 18 | Φ 60 | Φ 5 | Φ 75 | Φ 5 | |
| Yc60- Ⅴ | 55 | 32.5 | / | Φ 60 | Φ 5 | Φ 75 | Φ 5 | M14 × 1.5 |
| Yc60- Ⅵ | 56 | 33 | 11 | Φ 60 | Φ 5 | Φ 75 | Φ 5 | M14 × 1.5 |
| YC100- Ⅰ | 90 | 48 | 15 | Φ 100 | / | / | Φ 6 | M20 × 1.5 |
| YC100- Ⅱ | 83 | 44 | 34 | Φ 100 | / | / | Φ 6 | M20 × 1.5 |
| YC100- Ⅳ | 68 | 44 | 34 | Φ 100 | Φ 6 | Φ 118 | Φ 6 | M20 × 1.5 |
| YC100- Ⅵ | 90 | 48 | 15 | Φ 100 | Φ 6 | Φ 118 | Φ 6 | M20 × 1.5 |
| YC150- Ⅰ | 117 | 51 | 16.5 | Φ 150 | / | / | Φ 6 | M20 × 1.5 |
| YC150- Ⅱ | 92 | 52 | 55 | Φ 150 | / | / | Φ 6 | M20 × 1.5 |
| YC150- Ⅳ | 69 | 52 | 55 | Φ 150 | Φ 6 | Φ 165 | Φ 6 | M20 × 1.5 |
| YC150- Ⅵ | 117 | 53 | 28 | Φ 150 | Φ 6 | Φ 165 | Φ 6 | M20 × 1.5 |


















