◆ Thông số kỹ thuật:
| Người mẫu | CYBN100 | CYBN150 |
| Đường kính danh nghĩa | Φ 100 | Φ 150 |
| Loại gắn kết | Radial Convex gắn kết Giao diện song song | * | * |
| Radial Convex gắn kết Giao diện tám ký tự | | * |
| Loại Flush lập dị lập | * | * |
| Phạm vi đo lường | Áp lực khác biệt Phạm vi đo lường KPA | Danh nghĩa Áp lực làm việc KPA | Áp lực khác biệt Phạm vi đo lường MPA | Danh nghĩa Áp lực làm việc MPA |
| 0 ~ 10 | 60 | 0 ~ 0.16 | 1 |
| 0 ~ 16 | 100 | 0 ~ 0.25 | 1.6 |
| 0 ~ 25 | 160 | 0 ~ 0.4 | 2.5 |
| 0 ~ 40 | 250 | 0 ~ 0.6 | 4 |
| 0 ~ 60 | 400 | 0 ~ 1 | 6 |
| 0 ~ 100 | 600 | 0 ~ 1.6 | 10 |
| | | 0 ~ 2.5 | 10 |
| Lớp chính xác | 2.5 |
| Chủ đề phù hợp | M20 × 1.5 |
| Sử dụng nhiệt độ môi trường | -40 ℃~ 70 ℃ |
| Nhiệt độ của môi trường được sử dụng | ≤ 60 ℃ |
| Xếp hạng điện trở rung | V · H · 4 |
| Xếp hạng bao vây | IP65 |
| cân nặng | Khoảng 1,5 kg |
| Vật liệu của hệ thống xung | 0CR17NI12MO2 、 SUS316 |
| Vỏ và các vật liệu khác | 1CR18NI9 、 SUS304 |
| Thực thi tiêu chuẩn | JB/T 12015-2014 |
| Ghi chú: 1 . Chủ đề chung có thể được tùy chỉnh theo yêu cầu của người dùng. |
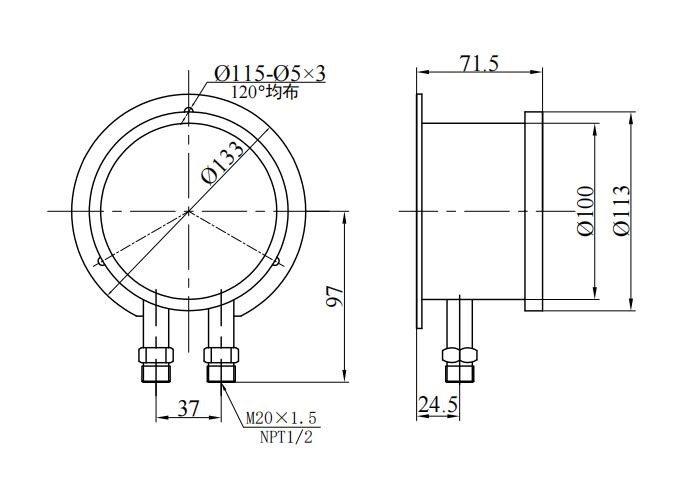
◆ Kích thước ngoại hình và cài đặt:
| CYBN100 Giao diện song song | CYBN150 Giao diện song song |
| CYBN150 Giao diện Bazi | CYBN150 Độ lệch tâm trục |
◆ Nguyên tắc cấu trúc:
Thiết bị áp dụng cấu trúc ống Bourdon képThì nghĩa là, hai ống Bourdon được lắp đặt ở các vị trí đối xứng ở cả hai mặt của khung "I". Các phần dưới và dưới của giá đỡ "I" là đầu có thể di chuyển và đầu cố định tương ứng, và giữa được kết nối bởi một mảnh lò xo: hai ống Bourdon ở trạng thái song song và được kết nối với các khớp nối được nối trực tiếp trên Các cơ chế truyền bánh răng.
◆ Nguyên tắc làm việc: Dựa trên phần tử cảm biến áp suất, hai ống Bourdon có cùng độ cứng được sử dụng, vì vậy chúng buộc phải tạo ra cùng một lực tập trung trong cùng một môi trường đo được để tác động lên khung di động tương ứng Vị trí bằng không.
Khi áp lực khác nhau được áp dụng (nói chung, đầu áp suất cao cao hơn đầu áp suất thấp) , lực của hai ống Bourdon tác động lên hỗ trợ di chuyển không bằng nhau, do đó độ dịch chuyển tương ứng được tạo ra tương ứng, và cơ chế truyền bánh răng được điều khiển và khuếch đại và giá trị áp suất khác biệt.
◆ Các biện pháp phòng ngừa:
1 Dụng cụ nên được cài đặt theo chiều dọc tại một vị trí ở cùng cấp độ với điểm đo, nếu không thì lỗi bổ sung gây ra bởi chênh lệch mức chất lỏng phải được tính đến.
2 . Đầu nối nhạc cụ được đánh dấu bằng " H " hoặc " "Là kết thúc điện áp cao, và là một cái được đánh dấu bằng" L " hoặc " - "Là kết thúc điện áp thấp và nó không thể đảo ngược trong quá trình cài đặt.
3 . Khi thiết bị đo áp suất chênh lệch, giá trị áp suất vi sai có thể được sử dụng trong 75% về giới hạn trên của phạm vi tỷ lệ và giá trị áp suất tĩnh tối đa của hệ thống không được vượt quá giá trị áp suất tĩnh tối đa được chỉ định bởi thiết bị.
4. Như trong hình 4 , van cân bằng (an toàn) (van 1 ) nên được đặt ở phía trước các cổng đầu vào áp suất cao và thấp của thiết bị trong quá trình cài đặt và phải ở vị trí mở và van cân bằng phải được đóng lại sau khi van 2 Và Van 3 đều được mở.
5 . Trước khi sử dụng, thiết bị cần xác minh cẩn thận mức độ xói mòn do môi trường đo được, để không gây ra tổn thương ăn mòn sớm cho ống Bourdon.
6 . Khi thiết bị được duy trì thường xuyên, nếu nắp đậy đồng hồ phải được mở, nên sử dụng các công cụ đặc biệt.
7 . Khi thiết bị bị ảnh hưởng bởi sự thay đổi nhiệt độ và lỗi chỉ định tăng và ảnh hưởng đến độ chính xác của phép đo, ông chủ cắm có thể bị cắt bỏ để làm cho bên trong và bên ngoài trường hợp giao tiếp và áp suất không khí được cân bằng.
◆ Thông báo đặt hàng:
Khi đặt hàng công cụ, người dùng phải chỉ ra:
1. Tên và mô hình, phạm vi áp suất khác biệt, áp suất tĩnh tối đa, đơn vị đo lường, mức độ chính xác;
2. Kích thước chủ đề chung: Thông thường M20 × 1.5 , NPT1/2 (hoặc khách hàng chỉ định);
3. Lưu ý: Ba nhóm van có thể được tùy chỉnh thay mặt cho người dùng (van 1 ~ 3 Trong hình 4 )