◆ Mô hình: YJ150 YJ150A
◆ Sử dụng: Một loạt các công cụ này chủ yếu được sử dụng để hiệu chỉnh đồng hồ đo áp lực công nghiệp hoặc dân sự. Nó cũng có thể được sử dụng để đo chính xác áp suất của các phương tiện không ăn mòn, không kết tinh và không hợp lý như hợp kim đồng và thép kết cấu hợp kim tại vị trí xử lý.
Loạt dụng cụ này trong dòng tỷ lệ dưới cài đặt của vòng gương, được sử dụng có thể làm cho lỗi đọc được giảm thiểu. Một loại có thiết bị bằng không, trong quá trình sử dụng, nếu bạn thấy rằng con trỏ không trở về 0, trong trường hợp không có áp suất phương tiện có thể được điều chỉnh
◆ Thông số kỹ thuật :
| Số mô hình | YJ150 | YJ150A | |
| Đường kính danh nghĩa | Φ 150 | ||
| Mẫu cài đặt | Ⅰ | * | * |
| Ⅳ | * | * | |
| Chủ đề kết nối | M20 × 1.5 | ||
| Lớp chính xác | 0.4 | ||
| Phạm vi đo lường ( MPA ) | Trống : -0.1 ~ 0 Máy hút bụi áp lực : -0.1 ~ 0,06 -0.1 ~ 0,15 -0.1 ~ 0,3 -0.1 ~ 0,5 -0.1 ~ 0,9 -0.1 ~ 1.5 -0.1 ~ 2.4 Áp lực: 0 ~ 0,1 0 ~ 0.16 0 ~ 0,25 0 ~ 0,4 0 ~ 0.6 0 ~ 1 0 ~ 1.6 0 ~ 2.5 0 ~ 4 0 ~ 6 0 ~ 10 0 ~ 16 0 ~ 25 0 ~ 40 0 ~ 60 0 ~ 100 | ||
| Điều kiện sử dụng môi trường | nhiệt độ: 20 ℃ ± 3 ℃ | ||
| Xếp hạng rung | V · H · 2 | ||
| lớp bảo vệ | IP54 | ||
| Tiêu chuẩn thực hiện | GB/T 1227 | ||
| Lưu ý: 1. Các luồng chung có thể được tùy chỉnh theo yêu cầu của người dùng. | |||
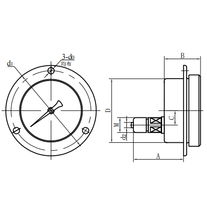
◆ Kích thước bên ngoài:
| Loại trực tiếp xuyên tâm () | Loại trực tiếp hướng trục (ⅱ) |
| Số mô hình | Kích thước tổng thể ( mm ) | |||||||
| MỘT | B | C | D | D0 | D1 | D2 | M | |
| Yj150- Ⅰ Yj150a- Ⅰ | 113 | 51 | 21 | Φ 150 | / | / | Φ 6 | M20 × 1.5 |
| Yj150- Ⅳ Yj150a- Ⅳ | 79 | 51 | 55 | Φ 150 | Φ 6 | Φ 165 | Φ 6 | M20 × 1.5 |


















