◆ Mô hình : ye60 ye100 ye150
◆ Sử dụng: Đồng hồ đo áp suất hộp màng còn được gọi là đồng hồ đo áp suất vi mô. Nó phù hợp để đo áp suất vi mô thấp của khí hoặc hơi mà không gây nguy hiểm cho vụ nổ, không bị kết tinh, không ứng suất và tác dụng không ăn mòn đối với hợp kim đồng và đồng.
◆ Thông số kỹ thuật :
| Số mô hình | Ye60 | YE100 | YE150 | |
| Đường kính danh nghĩa | Φ 60 | Φ 100 | Φ 150 | |
| Loại gắn kết | Ⅰ | * | * | * |
| Ⅱ | / | * | * | |
| Ⅲ | * | / | / | |
| Ⅳ | / | * | * | |
| Ⅴ | * | / | / | |
| Chủ đề kết nối | M14 × 1.5 | M20 × 1.5 | ||
| Lớp chính xác | 1.6 ; 2.5 | |||
| Phạm vi đo lường ( KPA ) | -40 ~ 0 -25 ~ 0 -16 ~ 0 -10 ~ 0 -6 ~ 0 -4 ~ 0 0 ~ 4 0 ~ 6 0 ~ 10 0 ~ 16 0 ~ 25 0 ~ 40 -2 ~ 2 -3 ~ 3 -5 ~ 5 -8 ~ 8 -12 ~ 12 -20 ~ 20 | |||
| Điều kiện sử dụng môi trường | Nhiệt độ : -25 ℃~ 55 ℃; Độ ẩm tương đối : ≤ 80 % | |||
| Xếp hạng rung | V · H · 2 | |||
| Vật liệu hộp màng | QSN4-0.3 | |||
| Lớp bảo vệ | IP54 | |||
| Tiêu chuẩn thực hiện | JB/T 9274 | |||
| Lưu ý: 1. Các luồng chung có thể được tùy chỉnh theo yêu cầu của người dùng. | ||||
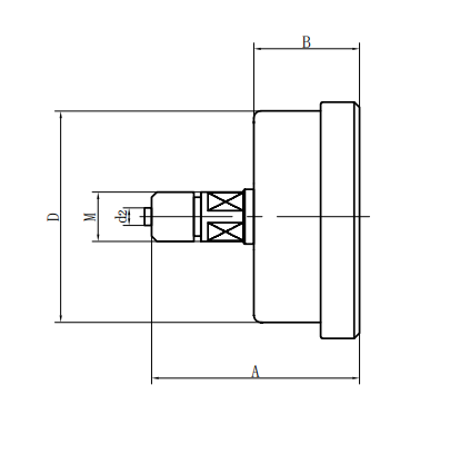
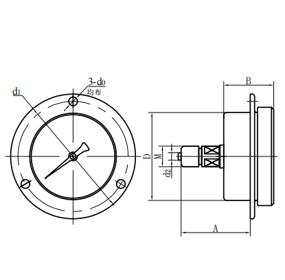
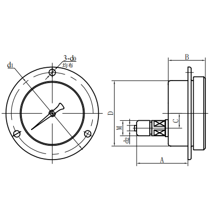
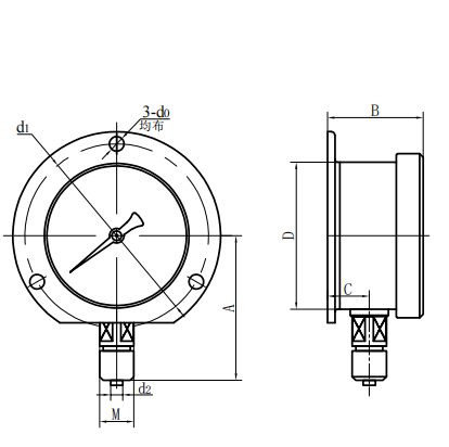
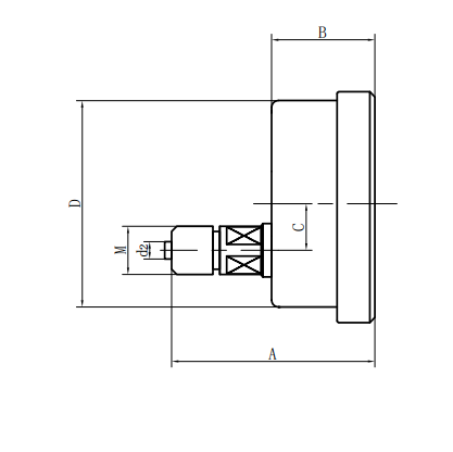
◆ Kích thước bên ngoài:
| Loại trực tiếp xuyên tâm () | Loại trực tiếp hướng trục (ⅱ) |
| Loại trực tiếp đồng tâm trục (iii) | Loại chèn lệch tâm trục (IV) |
| Loại chèn đồng tâm trục (V) | Loại lồi xuyên tâm (VI) |
| Số mô hình | Kích thước tổng thể ( mm ) | ||||||
| MỘT | B | C | D | E | D2 | M | |
| Ye60 -Ⅰ | 58 | 35 | 11 | φ 60 | 5 | φ 4 | M10 × 1 |
| Ye60 -Ⅲ | 58 | 35 | / | φ 60 | 5 | φ 4 | M10 × 1 |
| | | | | | | | |
| YE100 -Ⅰ | 93 | 50 | 16.5 | Φ 100 | 16.5 | φ 6 | M20 × 1.5 |
| YE100 -Ⅲ | 85 | 50 | / | Φ 100 | 16.5 | φ 6 | M20 × 1.5 |
| | | | | | | | |
| YE150 -Ⅰ | 118 | 53 | 18.5 | φ 150 | 19 | φ 6 | M20 × 1.5 |
| YE150 -Ⅲ | 96 | 53 | / | φ 150 | 19 | φ 6 | M20 × 1.5 |
| | | | | | | | |


















