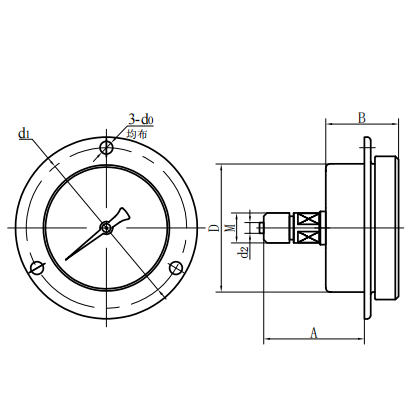
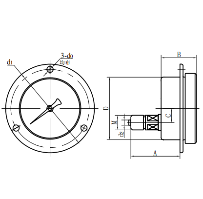
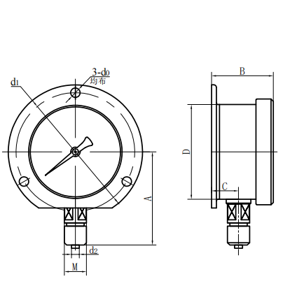
◆ Mô hình: YN40 YN50 YN60 YN75 YN100 YN150
◆ Sử dụng: Một loạt các công cụ này có khả năng chống sốc tốt, đặc biệt là phù hợp cho những nơi có độ rung mạnh của máy móc môi trường, và có thể chịu được xung bạo lực, sốc và dỡ áp suất trung bình đột ngột. Nó phù hợp để đo áp suất của chất lỏng, khí hoặc hơi nước không có nguy cơ nổ, không kết tinh, không củng cố và không có tác dụng ăn mòn đối với hợp kim đồng và đồng. Các thiết bị chỉ ra các bài đọc ổn định và rõ ràng. Nó được sử dụng rộng rãi trong máy móc hạng nặng, khai thác, dầu mỏ, công nghiệp hóa chất, luyện kim, năng lượng điện và các bộ phận khác.
◆ Trong ứng dụng thực tế, theo các đặc điểm đặc biệt của các phương tiện khác nhau (như lệnh cấm dầu, chống cháy, chống ăn mòn, v.v.), các yêu cầu của thiết bị là khác nhau, vì vậy loạt dụng cụ này có được nhiều dụng cụ đặc biệt tương ứng
2.1 Thích hợp để đo áp suất của môi trường dễ cháy và nổ. Nó bị cấm nghiêm ngặt để tiếp xúc với các chất dễ cháy. Điều trị tẩy rửa được thực hiện trước khi rời khỏi nhà máy và được thử nghiệm là không có dầu mỡ.
2.1.1 Đồng hồ đo áp suất oxy chống sốc sê-ri (địa chấn)
2.1.2 Đồng hồ đo áp suất hydro chống sốc (địa chấn)
2.1.3 Yyn loạt máy đo áp suất acetylene chống sốc (sốc)
2.2 Các vật liệu được sử dụng có khả năng chống ăn mòn môi trường hoặc thiết bị không có tác dụng đối với môi trường, và để đảm bảo rằng các yếu tố và giao diện phát hiện sạch sẽ và không có dầu mỡ.
2.2.1 Sê-ri Yan của máy đo áp suất amoniac (sốc)
2.2.2 YDQN SERIES của máy đo áp suất nitơ chống sốc (sốc)
Đồng hồ đo áp suất chống sốc của YN Series
Mô hình: 40mm (1,5 "), 50mm (2"), 60mm (2,5 "), 100mm (4"), 150mm (6 ")
Giới thiệu:
Một loạt các công cụ có khả năng chống sốc tuyệt vời, chỉ dẫn ổn định, đọc rõ ràng và đặc biệt phù hợp để sử dụng ở những nơi có rung động cơ học cường độ cao. Họ cũng có thể chịu được các xung, tác động và giảm tải đột ngột của môi trường. Cơ chế hấp thụ sốc và thiết kế chứa chất lỏng (thường là glycerin và dầu silicon) cho phép đo áp suất này để đảm bảo đo áp suất chính xác và chính xác ngay cả trong điều kiện phức tạp và bất lợi. Do độ co giãn và độ chính xác của nó, nó được sử dụng rộng rãi trong các ngành công nghiệp khác nhau.



















































































































