◆ Mô hình: Y40 Y50 Y60 Y75 Y100 Y150 Y200 Y250
◆ Sử dụng: Một loạt các dụng cụ này phù hợp để đo áp suất của chất lỏng, khí hoặc hơi nước không có nguy cơ nổ, không kết tinh, không củng cố và không có tác dụng ăn mòn đối với hợp kim đồng và đồng.
◆ Trong ứng dụng thực tế, theo các đặc điểm đặc biệt của các phương tiện khác nhau (như lệnh cấm dầu, phòng chống cháy, kháng ăn mòn, v.v.), các yêu cầu của thiết bị là khác nhau, vì vậy loạt dụng cụ này có được nhiều dụng cụ đặc biệt tương ứng, đường kính danh nghĩa của chúng
1.1 Thích hợp để đo áp suất của môi trường dễ cháy và nổ. Nó bị cấm nghiêm ngặt để tiếp xúc với các chất dễ cháy. Điều trị tẩy rửa được thực hiện trước khi rời khỏi nhà máy, và nó được thử nghiệm không có dầu mỡ.
1.1.1 YO Sê -ri Oxy Gauge
1.1.2 YH Sê -ri Đồng hồ đo áp suất hydro
1.1.3 YY Sê -ri Acetylene Đồng hồ đo áp suất
1.2 Các vật liệu được sử dụng có khả năng chống ăn mòn môi trường hoặc thiết bị không có ảnh hưởng đến môi trường, và đảm bảo rằng các yếu tố và giao diện phát hiện sạch sẽ và không có dầu mỡ.
1.2.1 Đồng hồ đo áp suất amoniac sê -ri YA
1.2.2 Đồng hồ đo áp suất nitơ sê -ri YDQ
◆ Thông số kỹ thuật :
| Số mô hình | Y40 | Y50 | Y60 | Y75 | Y100 | Y150 | Y200 | Y250 | |
| Đường kính danh nghĩa | Φ 40 | Φ 50 | Φ 60 | Φ 75 | Φ 100 | Φ 150 | Φ 200 | Φ 250 | |
| Mẫu cài đặt | Ⅰ | * | * | * | * | * | * | * | * |
| Ⅱ | / | / | * | / | * | * | * | * | |
| Ⅲ | * | * | * | * | / | / | / | / | |
| Ⅳ | / | / | * | / | * | * | / | / | |
| Ⅴ | * | * | * | * | / | / | / | / | |
| Ⅵ | / | / | * | * | * | * | / | / | |
| Chủ đề kết nối | M10 × 1 | M14 × 1.5 | M20 × 1.5 | ||||||
| Lớp chính xác | 2.5 | 1.6 | |||||||
| Phạm vi đo lường ( MPA ) | Trống : -0.1 ~ 0 Máy hút bụi áp lực : -0.1 ~ 0,06 -0.1 ~ 0,15 -0.1 ~ 0,3 -0.1 ~ 0.5 -0.1 ~ 0,9 -0.1 ~ 1.5 -0.1 ~ 2.4 Áp lực: 0 ~ 0,1 0 ~ 0.16 0 ~ 0,25 0 ~ 0,4 0 ~ 0.6 0 ~ 1 0 ~ 1.6 0 ~ 2.5 0 ~ 4 0 ~ 6 0 ~ 10 0 ~ 16 0 ~ 25 0 ~ 40 0 ~ 60 0 ~ 100 0 ~ 160 | ||||||||
| Điều kiện sử dụng môi trường | Nhiệt độ: -40 ℃~ 70 ℃ | ||||||||
| Xếp hạng rung | V · H · 3 | ||||||||
| Vật liệu ống Borden | QSN4-0.3 | ||||||||
| Lớp bảo vệ | IP54 、 IP65 | ||||||||
| Tiêu chuẩn thực hiện | GB/T 1226 | ||||||||
| Lưu ý: 1. Các luồng chung có thể được tùy chỉnh theo yêu cầu của người dùng. | |||||||||
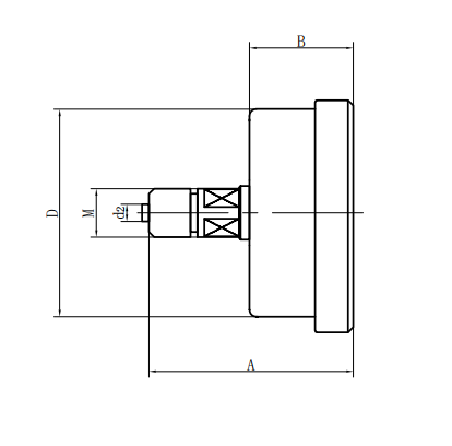
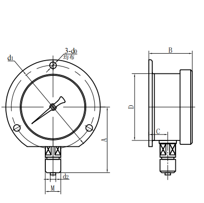
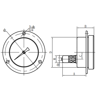
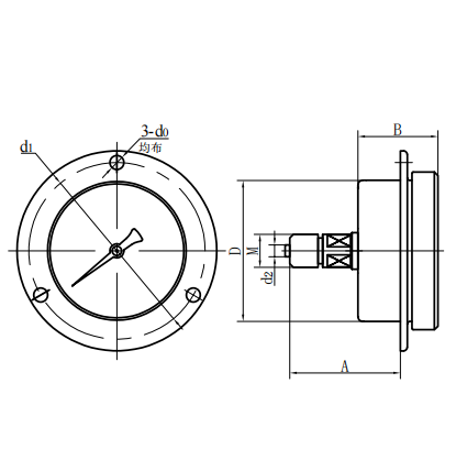
◆ Kích thước bên ngoài:
| Loại trực tiếp xuyên tâm () | Loại trực tiếp hướng trục (ⅱ) |
| Loại trực tiếp đồng tâm trục (iii) | Loại chèn lệch tâm trục (IV) |
| Loại chèn đồng tâm trục (V) | Loại lồi xuyên tâm (VI) |
| Số mô hình | Kích thước tổng thể ( mm ) | |||||||
| MỘT | B | C | D | D0 | D1 | D2 | M | |
| Y40 -Ⅰ | 38 | 25 | 8.5 | Φ 41 | / | / | Φ 3.5 | M10 × 1 |
| Y40 -Ⅲ | 45 | 26 | / | Φ 41 | / | / | Φ 3.5 | M10 × 1 |
| Y40 -Ⅴ | 38 | 26 | / | Φ 41 | Φ 3.5 | Φ 53 | Φ 3.5 | M10 × 1 |
| Y50 -Ⅰ | 50 | 29 | 9.5 | Φ 52 | / | / | Φ 4 | M10 × 1 |
| Y50 -Ⅲ | 54 | 29 | / | Φ 52 | / | / | Φ 4 | M10 × 1 |
| Y50 -Ⅴ | 47 | 29 | / | Φ 52 | Φ 4 | Φ 64 | Φ 4 | M10 × 1 |
| Y60 -Ⅰ | 54 | 30 | 12 | Φ 60 | / | / | Φ 5 | M14 × 1.5 |
| Y60 -Ⅱ | 63 | 34 | 18 | Φ 60 | / | / | Φ 5 | M14 × 1.5 |
| Y60 -Ⅲ | 58 | 30 | / | Φ 60 | / | / | Φ 5 | M14 × 1.5 |
| Y60 -Ⅳ | 45 | 34 | 18 | Φ 60 | Φ 5 | Φ 75 | Φ 5 | M14 × 1.5 |
| Y60 -Ⅴ | 45 | 34 | / | Φ 60 | Φ 5 | Φ 75 | Φ 5 | M14 × 1.5 |
| Y60 -Ⅵ | 54 | 30 | 12 | Φ 60 | Φ 5 | Φ 75 | Φ 5 | M14 × 1.5 |
| Y75 -Ⅰ | 62 | 31 | 10 | Φ 75 | / | / | Φ 5 | M14 × 1.5 |
| Y75 -Ⅲ | 54 | 32 | / | Φ 75 | / | / | Φ 5 | M14 × 1.5 |
| Y75 -Ⅴ | 54 | 32 | / | Φ 75 | Φ 5 | Φ 91 | Φ 5 | M14 × 1.5 |
| Y75 -Ⅵ | 62 | 32 | 10 | Φ 75 | Φ 5 | Φ 91 | Φ 5 | M14 × 1.5 |
| Y100 -Ⅰ | 89 | 44 | 17 | Φ 100 | / | / | Φ 6 | M20 × 1.5 |
| Y100 -Ⅱ | 83 | 44 | 30 | Φ 100 | / | / | Φ 6 | M20 × 1.5 |
| Y100 -Ⅳ | 68 | 44 | 30 | Φ 100 | Φ 6 | Φ 118 | Φ 6 | M20 × 1.5 |
| Y100 -Ⅵ | 89 | 44 | 18 | Φ 100 | Φ 6 | Φ 118 | Φ 6 | M20 × 1.5 |
| Y150 -Ⅰ | 115 | 49 | 17 | Φ 150 | / | / | Φ 6 | M20 × 1.5 |
| Y150 -Ⅱ | 88 | 49 | 55 | Φ 150 | / | / | Φ 6 | M20 × 1.5 |
| Y150 -Ⅳ | 85 | 49 | 55 | Φ 150 | Φ 6 | Φ 165 | Φ 6 | M20 × 1.5 |
| Y150 -Ⅵ | 115 | 49 | 18 | Φ 150 | Φ 6 | Φ 165 | Φ 6 | M20 × 1.5 |
| Y200 -Ⅰ | 140 | 53 | 20 | Φ 200 | / | / | Φ 6 | M20 × 1.5 |
| Y200 -Ⅱ | 92 | 53 | 53 | Φ 200 | / | / | Φ 6 | M20 × 1.5 |
| Y250 -Ⅰ | 165 | 53 | 20 | Φ 250 | / | / | Φ 6 | M20 × 1.5 |
| Y250 -Ⅱ | 92 | 53 | 53 | Φ 250 | / | / | Φ 6 | M20 × 1.5 |

























