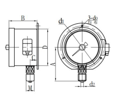
◆ Mô hình: YTX100B YTX150B
◆ Sử dụng: Một loạt các dụng cụ này được sử dụng đặc biệt trong môi trường xung quanh của môi trường dễ cháy và nguy cơ hỗn hợp nổ của các địa điểm, đo áp suất của chất lỏng và khí, với các thiết bị điện tương ứng, có thể đạt được báo động hoặc điều khiển tự động và các chức năng khác.
Thiết bị áp dụng một tiếp xúc điện từ, có các đặc điểm của lực hút lớn và tiếp xúc đáng tin cậy.
Công cụ này tuân thủ các yêu cầu trong GB 3836.1-2010 "Không khí nổ - một phần 1 : Yêu cầu chung cho thiết bị "và GB3836.2-2010 "Không khí nổ - một phần 2 : Thiết bị được bảo vệ bởi các thùng chống lửa " d ".
















