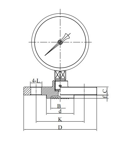
◆ Mô hình: YTZ100, YTZ-150
◆ Áp dụng: Loại dụng cụ này phù hợp để đo áp suất của chất lỏng, khí hoặc hơi mà không có nguy cơ nổ, không kết tinh, không hóa rắn và không có tác dụng ăn mòn đối với hợp kim đồng và đồng.
Được làm bằng thép không gỉ, nó có thể được sử dụng để đo áp suất của chất lỏng, khí hoặc hơi là ăn mòn yếu, nhưng không nổ, kết tinh hoặc hóa rắn.
◆ Nếu cần phải tạo ra một đồng hồ đo áp suất loại gây sốc, thì nó có thể được lấp đầy bằng dầu glycerin hoặc silicon.


















