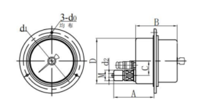
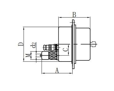
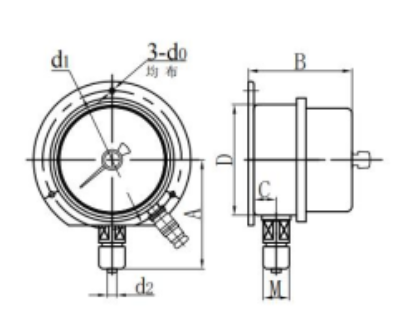
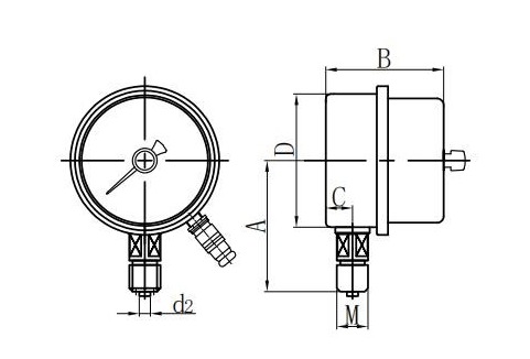
◆ Mô hình: YXCM100 YXCM150
◆ Sử dụng: Loại dụng cụ này là một sự thay thế lý tưởng cho đồng hồ đo áp suất tiếp xúc điện được hỗ trợ từ tính, nó giữ lại những ưu điểm của đồng hồ đo áp suất tiếp xúc điện truyền thống với chỉ định trực quan và điều chỉnh đơn giản, và thực hiện các cải tiến cơ bản đối với công việc chính xác và phản ứng chính xác. Nó có thể dễ dàng kết nối với nhau với PC Bảng, OptoCoupler, bộ điều khiển chương trình và các mạch điện tử khác, và có thể trực tiếp điều khiển các rơle năng lượng nhỏ hoặc bộ tiếp xúc.
◆ Nếu cần phải tạo ra một đồng hồ đo áp suất loại gây sốc, thì nó có thể được lấp đầy bằng dầu glycerin hoặc silicon.


















